SBMA-KFD1
  • Product Details
  • Series introduction
  • Product Booked
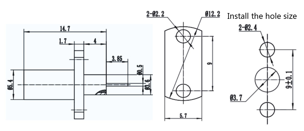
SMBA series of products is based on the BMA product developed a small busy with type connector, the characteristic impedance of 50Ω, the use of frequency up to 28GHZ. SBMA products with small size, high reliability, easy maintenance, high degree of standardization features.
Quantity
Name
Tel
Captcha